Accueil > 02 - SCIENCES - SCIENCE > Hasard et nécessité > La croissance dendritique, un produit dialectique du hasard et de la nécessité
La croissance dendritique, un produit dialectique du hasard et de la nécessité
mercredi 2 août 2017, par
Nitrate d’argent
Fulgurite
Oxyde de fer sur roches sédimentaires
Dendrites d’argent
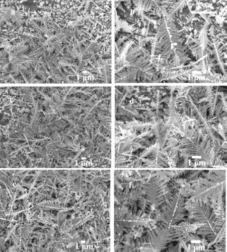
Nanostructures de cuivre
Cobalt-Samarium-Cuivre
Sulfate de zinc
Sulfate de cuivre
Injection d’air dans l’huile
Sucre dans l’eau
Anode d’électrolyse
Dendrites sur une fenêtre
Les dendrites, un produit de la dialectique du hasard et de la nécessité, de l’agrégation et de la diffusion, de l’attraction et de la marche aléatoire
On trouve de nombreuses structures en forme de dendrites, produits de l’auto-organisation de la matière, que ce soit par dépôt d’oxydes de métaux, par exemple sur l’anode de l’électrolyseur, que ce soit par pénétration d’un milieu dans un autre avec une interface, que ce soit par développement d’un corps vivant, que ce soit par cristallisation, que ce soit par agglomération de poussières ou de grains. On appelle ces processus de formations spontanée de structures en forme de dendrites : agrégation limitée par la diffusion (ou DLA), croissance guidée par la marche au hasard, diffusion de deux phases, digitation visqueuse, croissance du sel par sursaturation, formation d’un solide par la cristallisation de son bain ou surfusion, formation solide issue de la condensation, arborescence fractale, épitaxie par jet moléculaire, croissance électrochimique, organisation de colonies de bactéries ou morphogenèse des organes branchus. Même si ces processus sont très différents les uns des autres, mettent en jeu des forces physiques différentes, tous dépendent du même processus : l’agrégation limitée par la marche aléatoire. Tous proviennent de formes issues du passage de trois dimensions à deux dimensions. Tous ces processus fabriquent spontanément des structures fractales qui sont très semblables malgré la diversité des phénomènes physiques, électrochimiques ou biologiques. Il s’agit donc bel et bien de la dialectique de l’agitation et de l’ordonné, du hasard et de la nécessité, de l’aléatoire et du structuré. Ce sont des structures issues du déséquilibre, un ordre construit sur la base du désordre. Sa logique est contradictoire : opposition ordre/désordre mais aussi opposition entre deux phases, entre deux forces physiques, entre deux milieux, entre deux états, contradiction entre le régulier et l’irrégulier, le déterminé et l’indéterminé, d’une dialectique de la simplicité et de la complexité, d’une interconnexion de la structure se construisant en marchant et des lois de construction préexistantes, une physique de l’émergence et de l’auto-organisation, une physique des contradictions entre les diverses échelles d’existence de la matière… C’est un hasard qui intervient mais pas n’importe quel hasard, le hasard dû à une loi, celle du mouvement brownien des molécules. Un hasard déterministe, quoi de plus dialectique !!! Et l’est aussi une construction fondée sur l’accroche-décroche des atomes qui se joignent à la structure et de ceux qui la quittent…
Voici comment Vincent Fleury l’expose dans son ouvrage fameux « Arbres de pierre » :
« Nous allons donc décrire, maintenant, ce qui se produit lorsque des atomes s’approchent d’un solide en cours de croissance et s’y déposent. Pour cela, nous partons de la situation la plus simple où des atomes diffusent aléatoirement sous l’effet d’un mouvement brownien et se déposent au contact d’un « germe » initial, ou d’un défaut du milieu de croissance. Dans la réalité, les atomes peuvent diffuser dans l’air (cas du gaz qui passe directement à l’état solide), ou dans l’eau (cas du sel qui se dépose à partir d’eau salée), ou bien diffuser les uns autour des autres, de leur milieu liquide vers le milieu solide (cas de l’eau qui gèle).
La croissance d’un solide s’effectue toujours sur l’interface qui le sépare d’un autre milieu. On parle de deux phases, dont, évidemment, la phase solide. L’autre phase peut être un gaz, une solution, ou bien le même matériau que le solide, mais sous forme liquide. La croissance de glace à partir de la vapeur d’eau est un exemple du premier cas (on parle de condensation). La croissance du sel dans une saline qui s’évapore est un exemple du deuxième cas (on parle de sursaturation). Le troisième cas est simplement la croissance d’un solide à partir de son bain fondu (on parle alors de surfusion).
Dans tous les cas, il faut modéliser le mouvement aléatoire des atomes qui s’approchent de la surface solide qui croît sous nos yeux. On parlera alors d’un mécanisme d’agrégation, limité par la diffusion des atomes.
Dans cette expression, le terme à définir est celui de « limité par » : il traduit le fait que la croissance du solide est uniquement limitée par le temps que les atomes mettent à diffuser du milieu jusqu’au bord du solide déjà formé où ils se déposent : tant que des atomes arrivent, le solide pousse. Si aucun atome ne parvient à la surface, le solide cesse de pousser. C’est bien la diffusion des atomes qui « limite » l’agrégation.
Le problème est maintenant le suivant : quelle forme adopte le solide au fur et à mesure que le processus d’agrégation limitée par la diffusion se prolonge ?
La façon la plus simple de décrire l’agrégation limitée par la diffusion consiste à la présenter comme la formation d’un tas d’ivrognes.
L’image est un peu extrême, mais elle est assez pédagogique. Supposez qu’au lieu de parler d’atomes nous parlions d’ivrognes, et qu’au lieu de diffusion aléatoire nous parlions de « marche au hasard ».
Nous remplaçons par la pensée le mouvement aléatoire des atomes par une marche au hasard d’ivrognes, titubant dans le noir. Nous allons supposer encore qu’il existe quelque part un réverbère dont l’ampoule est cassée, de sorte que les ivrognes ne peuvent pas le voir.
Un théorème de mathématiques assez puissant, que nous ne démontrerons pas ici, prouve qu’un ivrogne marchant au hasard finit toujours par heurter n’importe quel obstacle, pourvu qu’on le laisse marcher assez longtemps.
Un premier ivrogne approche donc en titubant du réverbère : un pas en avant, trois pas en arrière, un pas à gauche, deux pas à droite, c’est un vrai tango, jusqu’au moment où, boum ! il tape dans le réverbère. Admettons qu’il s’écroule au pied de ce réverbère et achève de cuver son vin dans les bras de Morphée.
Un second ivrogne se promène, sans voir ni le réverbère, ni son coreligionnaire tombé avant lui. De même il titube, et finit par s’approcher de l’homme étendu au pied du réverbère. De deux choses l’une, ou bien il se cogne contre le réverbère, ou bien il se cogne contre le bonhomme déjà à terre. Admettons que ce second ivrogne, lui aussi, tombe comme une masse et s’endort.
Si nous disposions pour cette expérience d’un nombre élevé d’ivrognes, mettons, une armée de cinq ou six millions, on formerait un tas d’ivrognes, qui, au petit matin et vu d’hélicoptère, ressemblerait à l’image suivante :
Vu de très haut, on ne distingue plus le détail de chaque ivrogne, ni leur visage, ni leurs pieds, ni aucun de leurs caractères d’ivrogne, mais on voit clairement une forme arborescente, s’éloignant de façon radiale à partir du réverbère central. Ce tas a une forme qu’on peut qualifier de « bien définie » pour autant qu’on puisse la caractériser convenablement, et nous allons essayer de la caractériser un peu plus loin.
N’est-il pas remarquable que le processus de croissance le plus simple que l’on puisse imaginer ne donne nullement une forme régulière, mais un arbre extrêmement ramifié ?
Cette simplicité explique, en fait, que la croissance dendritique ait tellement occupé les esprits dans les siècles passés. Si l’on fait une cristallisation de façon arbitraire, sans prendre de précautions particulières, on bien davantage de chances de former un arbre irrégulier qu’un cristal compact. (…) L’arborescence est bien davantage naturelle que le cristal. (…)
Influencés par les travaux de Mandelbrot, Witten et Sander, eux, ont reconnu une structure bien définie : une structure arborescente fractale (…) Ils ont tout simplement pris un ordinateur, dans lequel ils ont laissé évoluer des marcheurs au hasard constitués de petits points noirs, les « pixels » de l’écran. Il est très facile d’écrire un programme où l’on laisse évoluer au hasard des particules, et où on les arrête dès qu’elles ont touché une « cible » (le réverbère) ou bien un marcheur aléatoire déjà parvenu sur la cible, ou l’amas déjà formé. C’est le genre de programme qui utilise beaucoup la fonction « random » de l’ordinateur, puisque, à chaque pas, il faut choisir « au hasard » la direction dans laquelle le marcheur aléatoire repart.
C’est ainsi qu’on forme les images comme celle qui précède. Cette image-là est déjà remarquable en ceci qu’elle contient six millions de particules, elle a été produite par Peter Ossadnik en 1992.
Benoît Mandelbrot, qui a repris ce problème avec énergie (et quelques assistants), est parvenu à produire des amas de trente millions de particules. On mesurera les progrès accomplis en remarquant que l’article original de Witten et Sander de 1984 ne présentait que des simulations limitées à dix mille particules. (…) Loin de nous l’idée que les simulations numériques ne sont pas nécessaires, mais, dans le cas de l’agrégation limitée par la diffusion, force est de constater que les simulations ont pris le pas sur le travail théorique, analytique, qui n’a pas avancé d’un pas (au hasard ?).
L’histoire récente montre que, une fois admis dans le cercle des spécialistes qu’un processus aussi simple que l’agrégation limitée par la diffusion pouvait donner des structures arborescentes, on se mit à chercher et à exhiber, dans les contextes les plus variés, des structures de ce type.
Soudain, on semblait ne plus voir que cela, et, dans tous les domaines, on découvrait ou on redécouvrait les dendrites fractales. La découverte de ces structures n’a pas demandé un effort expérimental particulier, bien au contraire, il suffisait, en quelque sorte, de se baisser pour les ramasser.
Expériences d’évaporation, expériences de cristallisation en phase liquide, croissances de bactéries, et, bien entendu, croissance électrolytique puisqu’en 1984 le Japonais Mitsugu Matsushita proposa l’hypothèse que la croissance dendritique électrochimique pouvait être liée à l’agrégation limitée par la diffusion. (…)
Les arbres formés par agrégation limitée par la diffusion étaient omniprésents. Rapidement, on les mettait en évidence dans des domaines très éloignés de la cristallisation, dans lesquels on ne pouvait rien trouver d’équivalent à la marche aléatoire des corpuscules. Eclairs électrostatiques, pénétration d’air dans l’huile, dissolution du plâtre, croissance de vaisseaux sanguins… il fallait étendre le paradigme. Toutes ces expériences, la démonstration de la réalité de ces arborescences et les difficultés de leur description allaient mobiliser les meilleurs chercheurs pendant quinze ans.
Revenons un moment sur le problème. Comme son nom l’indique, il s’agit d’agrégation (on forme un agrégat en ajoutant peu à peu des particules) limitée par la diffusion, c’est-à-dire un agrégat dont la croissance en chaque point est limitée par le nombre de particules arrivant jusque-là par diffusion (le mouvement brownien aléatoire).
On pourrait imaginer des agrégats limités par autre chose. Par exemple, il pourrait y avoir partout des particules à coller, mais elles ne s’attacheraient que lorsqu’un petit démon voudrait bien que la particule s’attache. Il s’agirait d’un agrégat limité par le bon vouloir du démon.
Il pourrait aussi se faire qu’une réaction chimique soit nécessaire le long de l’agrégat avant qu’une particule donnée ne puisse s’y incorporer. On parlera alors d’agrégation limitée par la « réaction ».
Il existe un bon nombre de cas possibles, mais aucun n’est aussi fascinant, ni aussi difficile, que celui de l’agrégation limitée par la diffusion (que nous appellerons désormais DLA, empruntant les initiales anglaises que tout le monde utilise). (…)
Quelle est exactement cette forme que l’on voit émerger du processus d’agrégation, qu’est-ce, au juste, que cet arbre ?
Une réponse purement descriptive est possible. La forme de l’arbre, après observation, est la suivante : il y a de grandes branches, et de petites, et de plus petites, et ainsi de suite jusqu’à l’échelle la plus petite : l’échelle des grains élémentaires. (…)
On peut dire que le cœur de la structure est fait de « bois mort », et que seule une fraction située vers l’extérieur, le « faîte » des branches, croît effectivement, c’est-à-dire reçoit les marcheurs aléatoires qui arrivent de quelque part au loin. Mais la largeur de ce faîte, la zone où « ça pousse » augmente au fur et mesure que l’amas de DLA s’agrandit. De façon réciproque, on observe que les creux, les « fjords » de la structure ne croissent pas : ils ne reçoivent aucun marcheur aléatoire. Les fjords s’allongent sans jamais se colmater.
Autrement dit, quand on laisse un marcheur aléatoire se rapprocher d’un arbre, il a une probabilité bien plus grande de rencontrer une branche située à l’extérieur, que de pénétrer au cœur de l’arbre, et d’aller se loger dans un petit creux situé au fond. (…)
On comprend alors pourquoi le système forme des branches : le processus de DLA a tendance à favoriser, à faire grandir, les branches déjà situées le plus à l’extérieur. La structure se développe ainsi « par les pointes ».
Bien entendu, il reste une grande part de hasard dans cette croissance, liée au caractère probabiliste de la marche aléatoire. Boyle faisait remarquer (en 1668) que les corpuscules devaient former un arbre en s’accrochant les uns aux autres par « une sorte de hasard ». Voilà, sans qu’il s’en doute, qui était remarquablement prudent, et dans le même temps, bien vu. C’est effectivement une sorte de hasard qui préside à la croissance de l’amas par collages successifs, mais un hasard très particulier intimement lié à la marche aléatoire (le mouvement « brownien »). Ce n’est pas n’importe quel hasard.
Mais pourquoi y a-t-il invariance d’échelle, c’est-à-dire pourquoi voit-on de petites branches et des branches moyennes, et des branches encore plus grandes, qui se ressemblent toutes ? Intuitivement, la raison est comprise : elle tient au fait que les particules qui arrivent « ne connaissent pas » la taille des branches vers lesquelles elles se dirigent.
Lorsqu’une particule s’approche de deux branches voisines, elle met ces deux branches en compétition, et l’une d’entre elles va grandir d’un pixel, au détriment de l’autre. Il y a une compétition effective entre les branches. Mais si l’on regarde des branches plus grandes, la compétition entre deux branches mille fois plus grandes est la même qu’entre deux branches mille fois plus petites, à condition d’invoquer l’arrivée de mille fois plus de grains. L’avantage que va prendre une branche sur une autre est, géométriquement parlant, de même nature, qu’il s’agisse d’une grande ou d’une petite branche, pour peu que l’on fasse venir des nombres de marcheurs au hasard en rapport.
Dire que la particule « ne connaît pas » la taille de l’amas, ni la taille des branches plus petites, revient à dire qu’il n’y a pas de « longueur caractéristique » dans le système étudié. Pour être plus précis, au fil du temps, l’arbre croît indéfiniment ; rien ne l’arrête, aucun processus particulier n’est là pour fixer sa taille. La compétition entre les grandes branches est régie par les mêmes lois que la compétition entre les petites branches. Les branches extérieures étouffent les branches intérieures de la même façon, que l’amas ait un diamètre de cent ou de dix mille particules, à condition de compter sur un nombre plus grand de particules, ou bien, ce qui revient au même, de rétrécir le grand amas pour le ramener à la même taille que l’amas plus petit.
On fait d’ailleurs communément cette opération pour s’assurer que la morphologie « se ressemble » à toutes les échelles, ce qui est bien le signe que la dynamique de croissance est la même à toutes les échelles. (…)
L’arborescence fractale est extraordinaire à plusieurs titres.
Si l’on y songe, on remarque que, jusqu’à l’émergence de ce nouveau paradigme, toutes sortes d’arborescences étaient connues, mais toutes, ou presque, dans le domaine biologique. Les arborescences biologiques croissent en fabriquant de petites et de grandes branches qui, si elles sont rarement fractales, le sont parfois. Ainsi, on qualifie souvent les choux-fleurs de fractales et l’on montre en exemple le romanesco, une variété de chou-fleur tout à fait remarquable, dans laquelle les fleurons ont une forme conique très bien caractérisée, et se répartissent sur des spirales (les parastiches) de plus en plus petites (il y a des spirales moyennes à l’intérieur des grandes spirales, et des spirales plus petites sur les spirales moyennes, etc.).
On se demande vraiment, à la vue du romanesco, s’il n’a pas été conçu d’après un plan préalable. La réponse est non, c’est bien un objet naturel, et l’on sait aujourd’hui un peu mieux comment ces spirales réussissent à s’emboîter les unes dans les autres naturellement, au cours de leur croissance…
La catégorie arbre n’est pas, radicalement, une catégorie du monde végétal. Et de là, en partie, l’émerveillement.
Ayant admis que la catégorie arbre est consubstantielle des lois de la physique (au même titre que la bulle de savon, le cristal ou l’étoile à neutrons), il est moins difficile d’admettre que les systèmes biologiques puissent emprunter aux systèmes physiques leur mode de croissance, plutôt que tout réinventer de façon alambiquée.
Qu’est-ce que le mouvement brownien ?
L’univers fractal de la matière et du mouvement
L’auto-organisation ou l’ordre spontanément issu du désordre
Que se passe-t-il à l’interface entre deux milieux ?
Formes auto-organisées du Vivant
Arborescences de la morphogenèse
Arborescences magnétiques de fer et de cobalt élaborées par électrodéposition
La sculpture des vaisseaux sanguins
Physics of Dendrites (in english)
Diffusion limited aggregation (in english)
Diffusion-limited aggregation DLA ou agrégation limitée par la diffusion (in english)
Dendrites and two phase flow (in english)
DLA dendrites and random walk, The article of Witten and Sander (in english)
Dialectique du hasard et de la nécessité dans la nature



